Diodo gunn

El efecto del diodo Gunn fue descubierto por John B. Gunn en 1963.

Este efecto es un instrumento eficaz para la generación de oscilaciones en el rango de las microondas en los materiales semiconductores. Gunn observó esta característica en el arseniuro de galio (GaAs) y el fosfuro de indio (InP).

El diodo Gunn, similar al diodo túnel, está construido de materiales como GaAs o InP que producen una resistencia negativa.

Diodo Gunn

Es un tipo de diodo usado en la electrónica de alta frecuencia. A diferencia de los diodos ordinarios construidos con regiones de dopaje P o N, solamente tiene regiones del tipo N, razón por la que impropiamente se le conoce como diodo.

Existen en este dispositivo tres regiones; dos de ellas tienen regiones tipo N fuertemente dopadas y una delgada región intermedia de material ligeramente dopado.

Cuando se aplica un voltaje determinado a través de sus terminales, en la zona intermedia el gradiente eléctrico es mayor que en los extremos. Finalmente, esta zona empieza a conducir; esto significa que este diodo presenta una zona de resistencia negativa.

La frecuencia de la oscilación obtenida a partir de este efecto es determinada parcialmente por las propiedades de la capa o zona intermedia del diodo, pero también puede ser ajustada exteriormente. Los diodos Gunn son usados para construir osciladores en el rango de frecuencias comprendido entre los 10 gigahercios y frecuencias aún más altas (hasta terahercios).

Los diodos Gunn suelen fabricarse de arseniuro de galio para osciladores de hasta 200 GHz, mientras que los de fabricación de nitruro de galio pueden alcanzar los 3 terahercios.

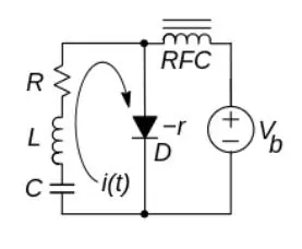
Circuito Oscilador con diodo Gunn

Curva característica

 
 

A) Funcionamiento de “Resistencia Positiva“.

 

El arseniuro de galio es uno de los pocos materiales semiconductores que, en una muestra con dopado tipo N, tiene una banda de energía vacía más alta que la más elevada de las que se encuentran ocupadas parcial o totalmente.

Cuando se aplica una tensión a una placa (tipo N) de arseniuro de galio, los electrones, que el material tiene en exceso, circulan y producen corriente.

Si se aumenta la tensión, la corriente aumenta.

Curva Característica del diodo Gunn
Curva Característica del diodo Gunn

B) Funcionamiento de “Resistencia Negativa”.

 

Si a la placa anterior se le sigue aumentando la tensión, se les comunica a los electrones una mayor energía, pero en lugar de moverse más rápido, los electrones saltan a una banda de energía más elevada, que normalmente está vacía, disminuyen su velocidad y, por ende, la corriente. Así, una elevación de la tensión en este elemento causa una disminución de la corriente.

Finalmente, la tensión en la placa se hace suficiente para extraer electrones de la banda de mayor energía y menor movilidad, por lo que la corriente aumentará de nuevo con la tensión. La característica tensión de contracorriente se parece mucho a la del diodo túnel.

Este sitio web utiliza cookies para que usted tenga la mejor experiencia de usuario. Si continúa navegando está dando su consentimiento para la aceptación de las mencionadas cookies y la aceptación de nuestra política de cookies, pinche el enlace para mayor información.

ACEPTAR
Aviso de cookies