Puertas lógicas

Las puertas lógicas, o compuertas lógicas, son dispositivos electrónicos con una función booleana u otras funciones como sumar o restar, incluyen o excluyen según sus propiedades lógicas. Se pueden aplicar a tecnología electrónica, eléctrica, mecánica, hidráulica y neumática.

Son circuitos de conmutación integrados en un chip. Experimentada con relés o interruptores electromagnéticos para conseguir las condiciones de cada compuerta lógica, por ejemplo, para la función booleana Y (AND) colocaba interruptores en circuito serie, ya que con uno solo de estos que tuviera la condición «abierto», la salida de la compuerta Y sería = 0, mientras que para la implementación de una compuerta O (OR), la conexión de los interruptores tiene una configuración en circuito paralelo.

La tecnología microelectrónica actual permite la elevada integración de transistores actuando como conmutadores en redes lógicas dentro de un pequeño circuito integrado. El chip de la CPU es una de las máximas expresiones de este avance tecnológico.

En nanotecnología se está desarrollando el uso de una compuerta lógica molecular, que haga posible la miniaturización de circuitos.

Tipos de puertas lógicas.

Existen diferentes tipos de puertas lógicas.

  • A) lógicas directa
  • B) Lógicas negadas.

A) Lógica Directa.

Puerta SI (buffer)

La puerta lógica SI realiza la función booleana igualdad. En la práctica se suele utilizar como amplificador de corriente o como seguidor de tensión, para adaptar impedancias.

Tabla de verdad puerta SI

FUNCIÓN BOOLEANA

La ecuación característica que describe el comportamiento de la puerta es:

F = A

Identificación de los pines del 7408
Puerta lógica SI __ (a) Contactos, b) Normalizado y c) No normalizado

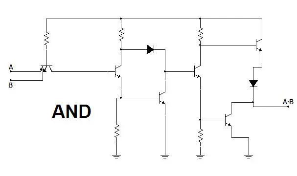
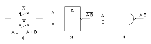
Puerta AND

La señal de salida se activa sólo cuando se activan todas las señales de entrada, la ecuación característica que describe el comportamiento de la puerta AND es:

Tabla de verdad puerta AND (S=A*B)

FUNCIÓN BOOLEANA

La ecuación característica que describe el comportamiento de la puerta AND es:

F = (A) * (B)

Identificación de los pines del 7408
Puerta lógica AND (Y) __ (a) Contactos, b) Normalizado y c) No normalizado
Puerta AND con transistores

El circuito integrado que contiene la compuerta AND, es el 74LS08, el cual posee internamente 4 compuertas AND, como se muestra en la figura, hay que tener en cuenta que el pin 7 debe estar conectado a Tierra (GND) y el pin 14 a Positivo (Vcc),

Puerta OR

La puerta lógica O, más conocida por su nombre en inglés OR (OR ≡ O ≡ ∨), realiza la operación de suma lógica.

Tabla de verdad puerta OR

FUNCIÓN BOOLEANA

La ecuación característica que describe el comportamiento de la puerta OR es:

F = A + B

Identificacion de los pines 7432
Puerta lógica OR __ (a) Contactos, b) Normalizado y c) No normalizado
Puerta OR con transistores

El circuito integrado que contiene la compuerta OR, es el 74LS32, el cual posee internamente 4 compuertas OR, como se muestra en la figura, hay que tener en cuenta que el pin 7 debe estar conectado a Tierra (GND) y el pin 14 a Positivo (Vcc),

Puerta OR-exclusiva (XOR)

La puerta lógica OR-exclusiva, más conocida por su nombre en inglés XOR, realiza la función booleana A’B+AB’. Su símbolo es \oplus (signo más “+” inscrito en un círculo).

Tabla de verdad puerta XOR

FUNCIÓN BOOLEANA

La ecuación característica que describe el comportamiento de la puerta XOR es:

Identificación de los pines del 7486
Puerta lógica XOR __ (a) Contactos, b) Normalizado y c) No normalizado

El circuito integrado que contiene la compuerta XOR, es el 74LS86, el cual posee internamente 4 compuertas XOR, como se muestra en la figura, hay que tener en cuenta que el pin 7 debe estar conectado a Tierra (GND) y el pin 14 a Positivo (Vcc),

B) Lógica Negada

Puerta NO (NOT)

La puerta lógica NO (NOT en inglés) realiza la función booleana de inversión o negación de una variable lógica. Una variable lógica (A) a la cual se le aplica la negación se pronuncia como “no A” o “A negada”.

Se puede definir como una puerta que proporciona el estado inverso del que esté en su entrada.

Puerta Lógica "NOT"

FUNCIÓN BOOLEANA

La ecuación característica que describe el comportamiento de la puerta NOT es:

F = Ā

identificacion de los pines del 7404
Puerta lógica NOT __ (a) Contactos, b) Normalizado y c) No normalizado
Puerta NOT con transistores

El circuito integrado que contiene la compuerta NOT, es el 74LS04, el cual posee internamente 6 compuertas NOT, como se muestra en la figura, hay que tener en cuenta que el pin 7 debe estar conectado a Tierra (GND) y el pin 14 a Positivo (Vcc),

Puerta NO-Y (NAND)

La puerta lógica NO-Y, más conocida por su nombre en inglés NAND, realiza la operación de producto lógico negado. En ocasiones es llamada también barra de Sheffer.

Tabla de verdad puerta NAND

FUNCIÓN BOOLEANA

La ecuación característica que describe el comportamiento de la puerta NAND es:

identificacion de los pines del 7404
Puerta lógica NAND __ (a) Contactos, b) Normalizado y c) No normalizado
Puerta NAND con transistores

El circuito integrado que contiene la compuerta NAND, es el 74LS00, el cual posee internamente 4 compuertas NAND, como se muestra en la figura, hay que tener en cuenta que el pin 7 debe estar conectado a Tierra (GND) y el pin 14 a Positivo (Vcc),

Puerta NO-O (NOR)

La puerta lógica NO-O, más conocida por su nombre en inglés NOR, realiza la operación de suma lógica negada. En ocasiones es llamada también barra de Pierce.​

Tabla de verdad NOR

FUNCIÓN BOOLEANA

La ecuación característica que describe el comportamiento de la puerta NOR es:

Identificación de los pines del 7402
Puerta lógica NAND __ (a) Contactos, b) Normalizado y c) No normalizado
Puerta NOR con transistores

El circuito integrado que contiene la compuerta NOR, es el 74LS02, el cual posee internamente 4 compuertas NOR, como se muestra en la figura, hay que tener en cuenta que el pin 7 debe estar conectado a Tierra (GND) y el pin 14 a Positivo (Vcc),

Puerta NOR-exclusiva (XNOR)

La puerta NO-exclusiva, más conocida por su nombre en inglés NOR exclusive o XNOR, es el complemento de la puerta OR exclusiva, siendo su función booleana AB + A’B’. Se utiliza el mismo símbolo que la puerta OR exclusiva (signo más “+” inscrito en un círculo) y su representación en el diseño de circuitos lógicos y ecuación que la describe.

Tabla de verdad puerta XNOR

FUNCIÓN BOOLEANA

La ecuación característica que describe el comportamiento de la puerta XNOR es:

El circuito integrado que contiene la compuerta XNOR, es el 74266, el cual posee internamente 4 compuertas XNOR, como se muestra en la figura, hay que tener en cuenta que el pin 7 debe estar conectado a Tierra (Vss) y el pin 14 a Positivo (Vdd),

Este sitio web utiliza cookies para que usted tenga la mejor experiencia de usuario. Si continúa navegando está dando su consentimiento para la aceptación de las mencionadas cookies y la aceptación de nuestra política de cookies, pinche el enlace para mayor información.

ACEPTAR
Aviso de cookies