Amplificador Operacional

Amplificadores Operacionales

1. ¿Qué es un amplificador operacional?

Un amplificador operacional, conocido también como op-amp por su nombre en inglés operational amplifier, es un componente electrónico activo de altísima ganancia que se emplea como bloque constructivo fundamental en circuitos analógicos. Su misión principal consiste en amplificar la diferencia de voltaje presente entre sus dos entradas, lo que permite realizar operaciones matemáticas como suma, resta, integración, derivación o filtrado con tan solo unos pocos componentes externos.

En términos simples, es un amplificador extremadamente versátil que, combinado con resistencias y condensadores, puede adaptarse a prácticamente cualquier tarea dentro de la electrónica analógica.

Amplificador Operacional
  • Vin+: Entrada no inversora
  • Vin-: Entrada inversora
  • Vout: Salida
  • Vs+ / Vs-: Alimentación (típicamente ±5V, ±12V, ±15V)

Nota: En circuitos con fuente simple (ej. 0V y +5V), se usan op-amps rail-to-rail o configuraciones especiales.

Modelo ideal vs modelo real

CaracterísticaModelo idealModelo real
Ganancia en lazo abierto∞ (infinita)100.000 – 1.000.000 (muy alta)
Resistencia de entrada10⁶ – 10¹² Ω (muy alta)
Resistencia de salida0 Ω50 – 200 Ω
Ancho de bandaLimitado (ej. 1 MHz en LM741)
Voltaje de offset0 V1 – 5 mV (requiere compensación)
Corriente de bias0 AnA o pA

En la práctica, siempre trabajamos con realimentación negativa (con resistencias) para controlar la ganancia y estabilizar el circuito.

Características clave

  • Consumo: Desde µA (baja potencia) hasta mA.
  • Ganancia en lazo abierto (Aol): Típicamente 100 dB o más.
  • Ancho de banda (GBW): Producto ganancia-ancho de banda, ej. 1 MHz.
  • Slew rate: Velocidad máxima de cambio de salida, ej. 0.5 V/µs.
  • CMRR (Rechazo en modo común): >80 dB.
  • PSRR (Rechazo de fuente): >70 dB.
  • Voltaje de offset: <1 mV en precision ops.

Ejemplos de op-amps populares

ModeloTipoGBW (MHz)Slew Rate (V/µs)Offset (mV)Aplicación principal
LM741Bipolar10.52General, educativo
TL081JFET3133Alta impedancia
OP07Precisión0.60.30.075Instrumentación
OPA2134Audio8200.5Hi-Fi audio
LM358Bajo consumo10.33Alimentación simple
AD797Ultra low noise110200.06Profesional audio

Nota: Elige según presupuesto y specs. LM741 es el “clásico” para prototipos.

2. Configuraciones Básicas

Los amplificadores operacionales se configuran mediante resistencias y condensadores externos para obtener una función específica. Las dos reglas de oro del modelo ideal son:

  1. La diferencia de voltaje entre las entradas es cero (Vin+ = Vin–).
  2. No circula corriente por las entradas (Iin+ = Iin– = 0).

Estas reglas simplifican el análisis y permiten calcular la ganancia con ecuaciones directas.

Amplificador inversor

La señal entra por la entrada inversora (Vin–). La salida queda en fase opuesta a la entrada.

Amplificador operacional inversor

Fórmula de ganancia: Vo / Vin = –Rf / Rin

Ejemplo: Ri = 10 kΩ, Rf = 47 kΩ → Ganancia = –4,7

Amplificador no inversor

La señal entra por la entrada no inversora (Vin+). La salida queda en fase con la entrada.

Fórmula de ganancia: Vo = Vi · (1 + Rf / Ri)

Ganancia: G = 1 + Rf / Ri

Ri = 1 kΩ, Rf = 9 kΩ → Ganancia = 1 + 9 kΩ / 1 kΩ = 10

Seguidor de voltaje (buffer)

Caso particular del no inversor con Rf = 0 y Rg = ∞ (o directamente Vin+ conectado a Vout).

Seguidor de voltaje (buffer)

Ganancia: Vout / Vin = 1 Uso: Aislamiento de impedancias, alta Zin y baja Zout.

Fórmula: Vout = Vo = Vi

Amplificador diferencial

Amplificador diferencial (sustractor) Cuando las cuatro resistencias son iguales:

Vout = V₂ – V₁

Ideal para:

  • Eliminar offset común
  • Medir diferencia entre dos sensores
  • Interfaz con puentes de Wheatstone
  • Entrada diferencial para Arduino (con divisor posterior)
Amplificador operacional diferencial

Condición de balance: R1/R2 = Rf/Rg

Fórmula: Vout = (Rf/R1) (V2 – V1)

Integrador

Realiza la integral temporal de la señal de entrada.

Amplificador operacional integrador

Fórmula: Vout = –1/(R1·Co) ∫ Ve dt

Diferenciador

El diferenciador es un circuito que toma una señal de entrada y genera en la salida una señal proporcional a la velocidad con que cambia la entrada. En otras palabras: mide cuán rápido sube o baja el voltaje

Amplificador operacional diferenciador simple

Fórmula: –Rf·C dVin/dts, luctus nec ullamcorper mattis, pulvinar dapibus leo.

¿Cómo funciona?

Imagina que tienes una señal que sube lentamente (como una rampa suave). El diferenciador dirá: “está subiendo despacio”. Si la señal sube de golpe, dirá: “¡está subiendo muy rápido!”.

Salida = velocidad de cambio de la entrada

Ejemplo fácil de entender

Supón:

  • Tienes una señal triangular que sube de 0 V a 1 V en 1 milisegundo
  • Usas R = 10 kΩ y C = 1 µF

La velocidad de cambio es: dVin/dt = 1 V / 0,001 s = 1000 V/s

Entonces: Vout = – (10 000 Ω) × (0,000 001 F) × 1000 V/s = –10 V

¡La salida da un pulso de –10 V mientras la entrada sube!

Advertencia: El diferenciador puro es sensible al ruido; se suele añadir una resistencia en serie con C para limitar la ganancia a altas frecuencias.

EL GRAN PROBLEMA: EL RUIDO

El diferenciador ama las señales rápidas. Pero el ruido (esas pequeñas oscilaciones rápidas que siempre hay) es muy rápido.

Resultado:

El ruido se amplifica MILES DE VECES más que tu señal útil.

Ejemplo real del horror:
  • Tu señal útil: 10 kHz
  • Ruido molesto: 1 MHz (100 veces más rápido) → El ruido sale 100 veces más grande
  • Si el ruido es de 100 MHz → ¡10 000 veces más grande!

Tu señal desaparece. Solo se ve ruido.

LA SOLUCIÓN: ¡Pon una resistencia en serie con el condensador!

3. Ejemplos Prácticos con Circuitos Reales

A continuación se presentan cuatro circuitos completos, listos para montar en protoboard o simular. Cada uno incluye: lista de componentes, valores recomendados, esquema, ecuaciones y resultado esperado.

3.1 Filtro pasa-bajos activo de primer orden

Función: Atenúa frecuencias por encima de la frecuencia de corte.

Filtro paso bajo activo de primer orden
  • Ganancia en banda pasante: –R / R1 = –1
  • Frecuencia de corte: fc = 1 / (2π·R·C) ≈ 1,59 kHz (con R = 10 kΩ, C = 10 nF)

Comportamiento:

  • f << fc → Vout ≈ –Vi
  • f >> fc → Vout → 0

3.2 Amplificador de instrumentación simple (1 op-amp)

Función: Amplifica diferencia con alta impedancia de entrada.

Amplificador básico de instrumentación

Ganancia: G = 1 + (2·10 kΩ / 2 kΩ) = 11

Salida: Vout = 11·(V2 – V1)

Uso típico: Sensor de puente (termopar, célula de carga).

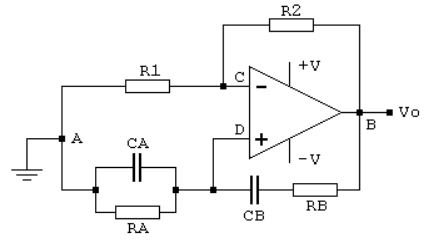
3.3 Oscilador senoidal (puente de Wien)

El oscilador puente de Wien es esencialmente un oscilador RC realimentado, cuyo circuito básico con componentes discretos se muestra a continuación:

Osciladores de puente de Wien

Función: Genera onda senoidal limpia sin entrada externa.

Principio de funcionamiento

La realimentación negativa proviene del resistor R2, insertada en el terminal inversor (-), mientras que la realimentación positiva se inserta en el terminal no inversor (+) a través de RB y CB, siendo esta última la que produce las oscilaciones.

El circuito oscila solamente en la frecuencia en la que la puente está equilibrada, mediante las relaciones adecuadas de los resistores R1, R2, CA en paralelo con RA y CB en serie con RB. Cumplidas las relaciones anteriores, el circuito oscila entre 20 Hz y 20 kHz, produciendo una onda senoidal de excelente calidad.

Frecuencia: f = 1 / (2π·10 kΩ·10 nF) ≈ 1,59 kHz

Condición de oscilación: Rf / R = 2 → Rf = 20 kΩ

Amplitud: ≈ ±8 V (con ±12 V de alimentación)

Ejemplo práctico (1 kHz – audio)

ComponenteValor
R110 kΩ
R220 kΩ
RA = RB6.8 kΩ
CA = CB10 nF (0.01 µF)

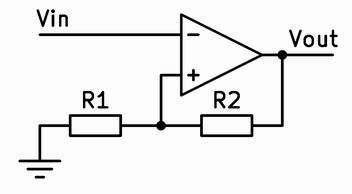
3.4 Comparador con histéresis (ventana de Schmitt)

El circuito comparador con histéresis utiliza un amplificador operacional con realimentación positiva para conseguir que la comparación tenga dos valores separados de encendido y de apagado del circuito.

Esta separación entre el valor de encendido y el valor de apagado se denomina valor de histéresis.

Esquema simplificado de un comparador con histéresis

Función: Convierte señal analógica en digital con ruido inmune.

Funcionamiento

El circuito sin la resistencia R2 funciona igual que un comparador tradicional, que compara la tensión ‘Vin’ con la tensión de tierra.

Al añadir la resistencia R2, añadimos realimentación positiva, porque R2 va conectada entre la salida y el terminal de entrada positivo. Esta realimentación positiva tiene el resultado de reforzar la tensión de salida.

Si la salida es positiva, el terminal de entrada V+ será positivo y la tensión de entrada Vin tendrá que ser mayor que cero para conseguir que la salida vuelva a ser negativa.

Por el contrario si la salida es negativa, el terminal de entrada V+ será negativo y la tensión de entrada Vin tendrá que ser menor que cero para conseguir que la salida vuelva a ser positiva.

El resultado es una separación entre el valor de entrada que produce una salida positiva y el valor de entrada que produce una salida negativa.

Umbrales: Valto = (100 kΩ / 110 kΩ)·Vref ≈ +2,27 V Vbajo = (10 kΩ / 110 kΩ)·Vref ≈ +0,23 V

Salida:

  • Vin > Valto → Vout = +Vcc
  • Vin < Vbajo → Vout = 0 V
  • Entre umbrales → mantiene estado

Aplicación: Sensor de luz, botón anti-rebote.


Todos los circuitos usan el LM741 (o equivalente TL081/LM358 según alimentación). Alimentación recomendada: ±12 V o +12 V/0 V con LM358.

Este sitio web utiliza cookies para que usted tenga la mejor experiencia de usuario. Si continúa navegando está dando su consentimiento para la aceptación de las mencionadas cookies y la aceptación de nuestra política de cookies, pinche el enlace para mayor información.

ACEPTAR
Aviso de cookies