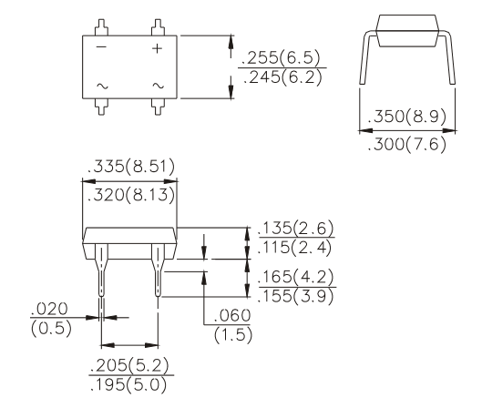
Encapsulado

D-70


Dimensiones del encapsulado D-70
Encapsulado D-70
Dimensiones del encapsulado D-70
Dimensiones del encapsulado D-70

Este sitio web utiliza cookies para que usted tenga la mejor experiencia de usuario. Si continúa navegando está dando su consentimiento para la aceptación de las mencionadas cookies y la aceptación de nuestra política de cookies, pinche el enlace para mayor información.

ACEPTAR
Aviso de cookies