Encapsulado

D-71 / DF-8


Encapsulado D-71
Encapsulado D-71
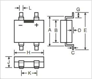
Dimensiones del encapsulado D-71
Dimensiones del encapsulado D-71

Este sitio web utiliza cookies para que usted tenga la mejor experiencia de usuario. Si continúa navegando está dando su consentimiento para la aceptación de las mencionadas cookies y la aceptación de nuestra política de cookies, pinche el enlace para mayor información.

ACEPTAR
Aviso de cookies