Encapsulado

D-PACK


Encapsulado D-PACK
Encapsulado D-PACK
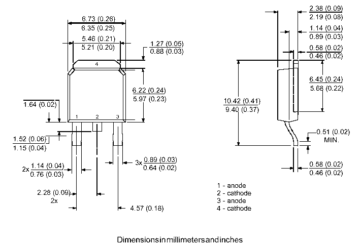
Dimensiones del encapsulado D-PACK
Dimensiones del encapsulado D-PACK

Este sitio web utiliza cookies para que usted tenga la mejor experiencia de usuario. Si continúa navegando está dando su consentimiento para la aceptación de las mencionadas cookies y la aceptación de nuestra política de cookies, pinche el enlace para mayor información.

ACEPTAR
Aviso de cookies