Encapsulado

DO-214


SS14 | Encapsulado DO-214
SS14 | Encapsulado DO-214
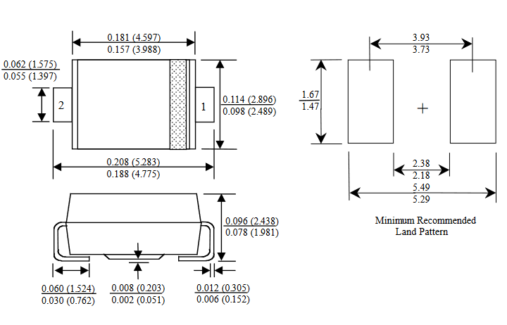
Dimensiones del encapsulado DO-214
Dimensiones del encapsulado DO-214

Este sitio web utiliza cookies para que usted tenga la mejor experiencia de usuario. Si continúa navegando está dando su consentimiento para la aceptación de las mencionadas cookies y la aceptación de nuestra política de cookies, pinche el enlace para mayor información.

ACEPTAR
Aviso de cookies