Encapsulado

DO-41


1N4001 | Encapsulado DO-41
1N4001 | Encapsulado DO-41
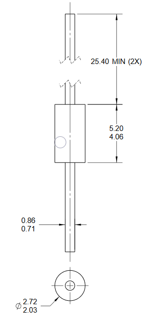
Dimensiones del encapsulado DO-41
Dimensiones del encapsulado DO-41

Este sitio web utiliza cookies para que usted tenga la mejor experiencia de usuario. Si continúa navegando está dando su consentimiento para la aceptación de las mencionadas cookies y la aceptación de nuestra política de cookies, pinche el enlace para mayor información.

ACEPTAR
Aviso de cookies