Encapsulado

TO-41


ZTP-135SR | Encapsulado TO-41
ZTP-135SR | Encapsulado TO-41
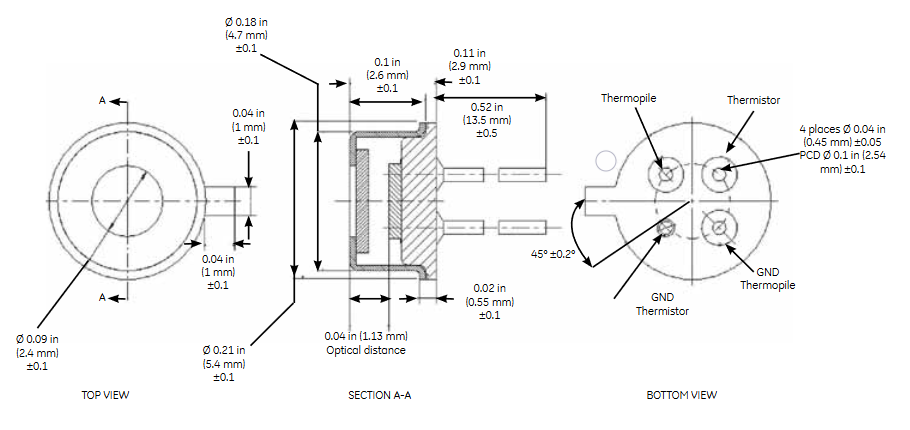
Dimensiones del encapsulado TO-41

Este sitio web utiliza cookies para que usted tenga la mejor experiencia de usuario. Si continúa navegando está dando su consentimiento para la aceptación de las mencionadas cookies y la aceptación de nuestra política de cookies, pinche el enlace para mayor información.

ACEPTAR
Aviso de cookies