Preamplificador de audios RIIA a válvulas

En este montaje, vamos a realizar un preamplificador de audios RIIA a válvulas; se utilizará para su diseño la válvula 12AX7. Esta válvula es apta para amplificadores de media o baja ganancia, así como para HiFi, por su linealidad y excelente sonido sin coloración.

También puede resultar muy útil para bajar el nivel de amplificación en algún paso de equipos de alta ganancia y conseguir un poco más de techo limpio.

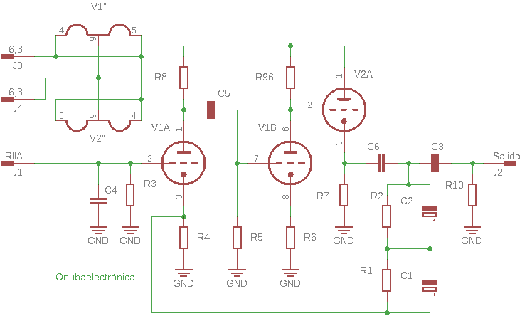
Esquema eléctrico del preamplificador de audios RIIA a válvulas

¿qué es R.I.A.A.?

La R.I.A.A. es la “Recording Industry Association of America”, o lo que en castellano sería la “Asociación de la Industria Discográfica de Estados Unidos”.

Esta asociación propuso unas correcciones a la hora de grabar y de reproducir los discos de vinilo para que la calidad de sonido de los mismos fuera mejor. Esa corrección se convirtió en estándar.

Por tanto, todo giradiscos tenía que estar ecualizado con esa corrección. La idea nos surgió porque queríamos volver a escuchar esos vinilos de antaño.

Característica de la válvula 12AX7

La 12AX7 o ECC83 es una válvula doble triodo de base noval B9A con un elevado grado de ganancia; es un triodo con alta ganancia (un factor típico de amplificación de 100) y baja corriente de placa especializada para amplificar señales de audio de baja intensidad.

Característica de la válvula 12AX7MG

Esta válvula es muy usada en las etapas preamplificadoras (entrada y nivel medio) de amplificadores de audio.

Tiene un relativamente alto nivel de capacidad Miller, haciendo así que no sea adecuada para ser usada en radiofrecuencia; sin embargo, a bajas frecuencias, tanto la 12AX7 como otras válvulas similares pero de menor ganancia todavía pueden funcionar en algunos circuitos de radiofrecuencia.

Lista de componentes

ResistenciasCondensadoresSemiconductores
R1 – 470kΩC1 – 3.3nFV1, V2 – 12AX7
R2 – 68kΩC2, C5 – 1nF 
R3 – 47kΩC3, C6 – 47µF 
R4 – 1.8kΩC4 – 36pF 
R5 – 1MΩ  
R6 – 1kΩ  
R7, R9, R10 – 100kΩ  
R8 – 320kΩ  

Alimentación

  • V máx:
  • I  máx:

Deja un comentario

Este sitio usa Akismet para reducir el spam. Aprende cómo se procesan los datos de tus comentarios.

Este sitio web utiliza cookies para que usted tenga la mejor experiencia de usuario. Si continúa navegando está dando su consentimiento para la aceptación de las mencionadas cookies y la aceptación de nuestra política de cookies, pinche el enlace para mayor información.

ACEPTAR
Aviso de cookies