Fuente de alimentación variable 0-57V

Esta fuente de alimentación variable 0-57V va más allá de las fuentes convencionales (que rara vez superan los 24V de salida). dándonos un máximo de 57V con una corriente de 1.5A.

En todo taller es necesario disponer de una fuente capaz de proveer cualquier tensión y corriente, dentro de un rango aceptable de posibilidades.

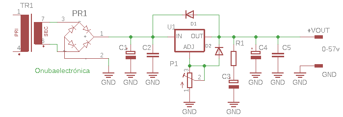
Esquema eléctrico de la fuente alimentación variable 0-57V 1.5A

Funcionamiento

Fuente de alimentación variable 0-57V

Los 220 V de la red eléctrica ingresan al transformador, pasando previamente por el interruptor de potencia con lámpara de neón incorporada.

La salida del transformador presenta una tensión de 40V, la cual, luego de ser rectificada y filtrada, sube aproximadamente hasta los 57V.

El condensador de 100 nF mejora el desempeño de la fuente frente al rizado.

El circuito integrado LM317 en su versión de alta tensión se encarga de regular la tensión saliente por medio del divisor resistivo formado por la resistencia de 220Ω y el potenciómetro de ajuste (el cual debe ser multivueltas).

El condensador de 10 µF en la vía de regulación impide fluctuaciones de regulación, mientras que los diodos 1N5404 previenen que la descarga de este condensador dañe el circuito integrado. Los dos condensadores de salida se encargan de filtrar adecuadamente la tensión resultante.

La protección contra cortocircuitos es interna del circuito integrado; el mismo posee un corte por sobretemperatura. Al poner en corto la salida, la temperatura del integrado trepa rápidamente y la protección salta desconectando la salida hasta que no cese el cortocircuito.

El puente rectificador puede ser del tipo metálico. De ser así, se recomienda fijarlo al disipador de calor.

Caso contrario, puede ser armado con cuatro diodos como el 1N5404, los cuales pueden ser montados en el circuito impreso, pero separados de él para evitar calcinarlo.

El disipador de calor debe ser del tipo multialetas de 10x5cm.

Lista de componentes

Resistencias Condensadores Semiconductores
R1 – 220Ω C1 4700µf PR1 puente de diodos
PR1 – 10KΩ C2 100nf D1, D2 1N5404
  C3 10µf IC1 LM317T
  C4 22µf  
  C5 100nf  

Alimentación

  • V máx: red eléctrica

  • I máx:

Deja un comentario

Este sitio usa Akismet para reducir el spam. Aprende cómo se procesan los datos de tus comentarios.

Este sitio web utiliza cookies para que usted tenga la mejor experiencia de usuario. Si continúa navegando está dando su consentimiento para la aceptación de las mencionadas cookies y la aceptación de nuestra política de cookies, pinche el enlace para mayor información.

ACEPTAR
Aviso de cookies