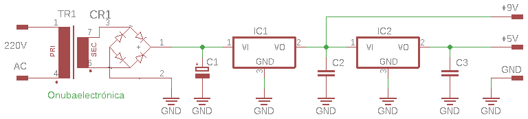
Fuente de alimentación doble salida

Esta fuente de alimentación de doble salida que vamos a realizar a continuación es muy fácil y económica de construir; con un par de reguladores de tensión y tres condensadores la podemos montar.

Tal como se indica en el título, podemos obtener dos tensiones diferentes; solo hay que variar los valores de los reguladores de tensión.

Esquema eléctrico de la fuente de alimentación de doble salida

Reguladores de tensión 78xx

Los circuitos integrados de la familia 78XX permiten realizar fuentes de alimentación estabilizadas fiables, ya sean fijas o regulables, de una manera sencilla y sin complicaciones.

fuente de alimentación doble salida
Reguladores de tension de la familia 78xx

Son adaptables a diferentes tensiones de salida, utilizando el regulador adecuado y modificando los componentes asociados en función de la tensión de trabajo.

En el comercio se dispone de las siguientes tensiones de salida: 5, 6, 8, 12, 15, 18, 20, 24 voltios.Todos pueden proporcionar una corriente máxima de 0,5 A y, si están convenientemente refrigerados,hasta a 1 A. Por norma general, la tensión del secundario del transformador debe ser como mínimo 3v superior a la tensión nominal del regulador integrado.

Funcionamiento de la fuente de alimentación de doble salida

Hay que tener en cuenta que:

  1. Que el regulador de mayor tensión tiene que ser el primero, y que la diferencia de tensión entre el primer regulador y el segundo tiene que ser como mínimo de 3V.

  2. Que la corriente que puede pasar por el primer regulador es la suma del consumo que se produzca en la primera tensión más la que se genere en la segunda, y que la suma de ambas no puede superar 1A; si no, freiremos los reguladores.

Es recomendable colocar disipadores de calor en los reguladores.

Lista de componentes

Resistencias Condensadores Varios
C1 – 100μF IC1 – LM7809
C2, C3 – 100nF IC2 – LM7805
TR1 – Transformador 12Vac /2A
CR1 – Puente diodo 3A

Alimentación

  • V máx: 12 Vdc

  • I máx:

Deja un comentario

Este sitio usa Akismet para reducir el spam. Aprende cómo se procesan los datos de tus comentarios.

Este sitio web utiliza cookies para que usted tenga la mejor experiencia de usuario. Si continúa navegando está dando su consentimiento para la aceptación de las mencionadas cookies y la aceptación de nuestra política de cookies, pinche el enlace para mayor información.

ACEPTAR
Aviso de cookies