Fuente alimentación variable 35V a 3A

En este proyecto vamos a realizar una fuente de alimentación variable de hasta 35V a 3A. Esta fuente nos va a proporcionar en su salida una tensión ajustable de hasta 35 voltios, entregándonos una corriente máxima de 3 amperios.

Uno de los instrumentos más requeridos en el laboratorio electrónico es la fuente de alimentación regulable, la cual permite alimentar cualquier circuito bajo prueba o desarrollo con la tensión y corriente que estos precisen.

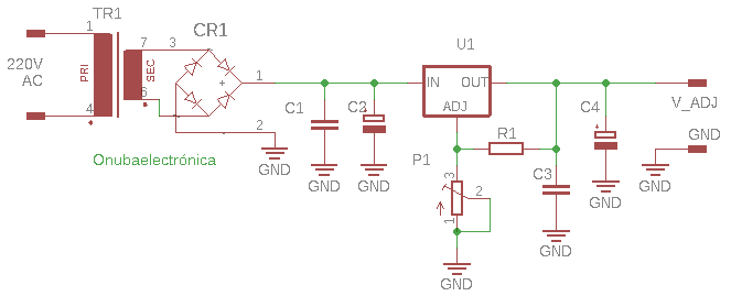
Esquema eléctrico de la fuente alimentación variable 35v y 3A

Funcionamiento de la fuente variable 35V a 3A

El circuito aquí mostrado no es más que una fuente de alimentación lineal, con su puente rectificador y sus condensadores de filtrado, a la cual se le ha adosado un regulador de tensión en serie.

Adicionalmente, se han dispuesto un par de instrumentos fijos, los cuales nos permiten conocer en todo momento la tensión provista en la salida y la corriente que la carga está demandando.

Para que este circuito funcione adecuadamente, la carga debe ser de al menos 5 mA.

De conectar circuitos de menor consumo, se recomienda conectarlos en paralelo con algún suplemento resistivo como una lámpara o resistencia de alambre.

El circuito integrado posee un encapsulado estilo TO-3, como el conocido 2N3055 o el BU208A, para citar un par de ejemplos que le resultarán familiares a todos.

Refrigerar adecuadamente este componente es la clave del éxito para lograr una correcta regulación y estabilización de la tensión en la salida. Este componente dispone de corte por sobretemperatura, por lo que si está mal disipado, se desconectará.

Atención

Si no va a aislar eléctricamente el integrado, deberá suspender el conjunto disipador de la caja a fin de evitar cortocircuitos.

Lista de componentes

Resistencias Condensadores Varios
R1 – 270Ω C1 – 100nF U1 – LM350K
P1 – 5KΩ C2 – 4700μF/63v TR1 – Transformador 24v / 5A
C4 – 47μF/63v CR1 – Puente rectificador 35v / 10A

Alimentación

  • V máx: red eléctrica

  • I máx:

Deja un comentario

Este sitio usa Akismet para reducir el spam. Aprende cómo se procesan los datos de tus comentarios.

Este sitio web utiliza cookies para que usted tenga la mejor experiencia de usuario. Si continúa navegando está dando su consentimiento para la aceptación de las mencionadas cookies y la aceptación de nuestra política de cookies, pinche el enlace para mayor información.

ACEPTAR
Aviso de cookies